• Kategorie
  • Uchwyt USMPH-2 (100szt)

Symbol: 16.80
Kolor Biały
5.82
opak. Do przechowalni
Zarejestruj się, aby otrzymać za ten zakup 6 punktów lojalnościowych.
Ilość w opakowaniu 100 opak.
Wysyłka w ciągu 24 godziny
Dostępność 1000 opak.
Zostaw telefon

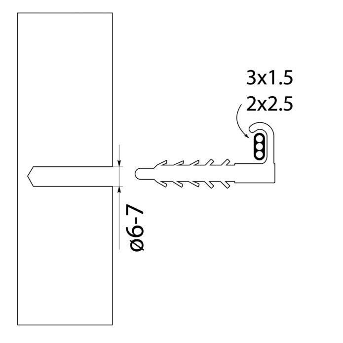
Uchwyty montażowe to specjalne elementy służące do mocowania płaskich przewodów YDYp 3x1,5 oraz YDYp 2x2,5. Są one łatwe w montażu i zapewniają pewność mocowania, dzięki czemu instalacja wygląda profesjonalnie. Uchwyty montażowe pozwalają na łatwe i szybkie przeprowadzenie korekt instalacji, gdy zajdzie taka potrzeba.

image

Uchwyty montażowe są idealne do stosowania w instalacjach elektrycznych, zwłaszcza tam, gdzie wymagane jest estetyczne wykonanie i dokładne dopasowanie do przewodów. Mogą być stosowane w różnego rodzaju obiektach, takich jak domy mieszkalne, biura, szkoły, sklepy, magazyny i wiele innych.

Korzyści wynikające z użycia uchwytów montażowych są wielorakie. Po pierwsze, uchwyty zapewniają bezpieczeństwo i niezawodność instalacji, dzięki czemu można uniknąć problemów związanych z awariami i uszkodzeniami. Po drugie, uchwyty pozwalają na łatwe i szybkie montowanie przewodów, co z kolei prowadzi do oszczędności czasu i kosztów.

Dane techniczne:

  • zastosowanie: YDYp 3 x 1,5 (750V), YDYp 3 x 2,5
  • śr. wiertła: 6-7 mm

imageWarto podkreślić, że uchwyty montażowe są łatwe w użyciu i nie wymagają specjalnych umiejętności ani narzędzi. Dzięki temu można je stosować zarówno w instalacjach wykonanych przez profesjonalistów, jak i w instalacjach wykonywanych samodzielnie.

Podpis
E-mail
Zadaj pytanie