• Kategorie
  • Łącznik krzywkowy Łuk E12-42 Zmiana kierunku obrotów L-0-P IP-65

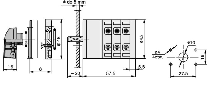
Symbol: 921202

Wyłącznik krzywkowy L-0-P (lewo prawo) ŁUK E12-42 E12A IP65 bez obudowy 921202

94.48
szt. Do przechowalni
Zarejestruj się, aby otrzymać za ten zakup 94 punktów lojalnościowych.
Wysyłka w ciągu 24 godziny
Dostępność 1000 szt.
Zostaw telefon
  • kąt zaskoku: 30°
  • ilość biegunów: 3P
  • znamionowy prąd ciągły: 12 A
  • znamionowe napięcie izolacji: 690 V
  • częstotliwość: 50 Hz
  • napięcie znamionowe udarowe wytrzymywane: 4 kV
  • znamionowy prąd załączeniowy, zwarciowy: 0,5 kA
  • znamionowy prąd krótkotrwały, wytrzymywany: 0,35 kA
  • program łączeń: zmiany kierunku obrotu L-O-P
  • wykonanie: zatablicowy z płytką przednią
  • stopień ochrony: IP65

image

image

Podpis
E-mail
Zadaj pytanie