• Kategorie
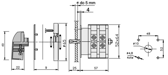
  • Łącznik krzywkowy Łuk 25-12 Włącz-wyłącz 0-I IP-65

Symbol: 922503

Łącznik krzywkowy Łuk 25-12

99.23
szt. Do przechowalni
Zarejestruj się, aby otrzymać za ten zakup 99 punktów lojalnościowych.
Wysyłka w ciągu 24 godziny
Dostępność 1000 szt.
Zostaw telefon
  • kąt zaskoku: 45°
  • ilość biegunów: 3P
  • znamionowy prąd ciągły: 25 A
  • znamionowe napięcie izolacji: 690 V
  • częstotliwość: 50 Hz
  • napięcie znamionowe udarowe wytrzymywane: 6 kV
  • znamionowy prąd załączeniowy, zwarciowy: 1 kA
  • znamionowy prąd krótkotrwały, wytrzymywany: 0,7 kA
  • program łączeń: włącz-wyłącz O-I
  • wykonanie: zatablicowe, z płytką przednią
  • stopień ochrony: IP65

image

image

Podpis
E-mail
Zadaj pytanie